BD420 Loadcell
Yorum Yap
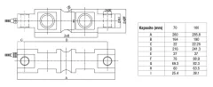
BD420 / BD420S Çift Mesnetli Lama Tipi Yük Hücresi
Ürün Hakkında :
• BD420 / BD420S nikel kaplamalı çelik yada paslanmaz çelik yapıda, kaynaklı IP68 hermetik izalasyona sahip bir yük hücresidir. Yüksek kapasiteli silo ve tank tartım uygulamaları için tasarlanmıș LABD420 / LABD420S tartım modülleri ile hassas tartım ve güvenli çalıșma sağlar.
• Vinç Kantarları, Tank & Silo Tartımı, Yüksek Kapasiteli Uygulamalar, Özel Tartımlar, Endüstriyel Prosesler için kullanıma uygundur.
• Materyal : Paslanmaz Çelik, Nikel Kaplamalı Alaşımlı Çelik
• Materyal : Paslanmaz Çelik, Nikel Kaplamalı Alaşımlı Çelik
Öne Çıkan Özellikler
Bağlantı
Analog
Tip
Çift Mesnetli Lama Tipi
Uygulamalar
Vinç Kantarları, Tank & Silo Tartımı, Yüksek Kapasiteli Uygulamalar, Özel Tartımlar, Endüstriyel Prosesler
Materyal
Paslanmaz Çelik, Nikel Kaplamalı Alaşımlı Çelik
Maksimum Kapasite
50 klb, 70 klb, 100 klb
Koruma Sınıfı
IP68

