BK2 Lama Tipi Yük Hücresi
Ürün Hakkında :
• Model BK2, geliştirilmiş korumalı, lama tipi yük hücresi olup, endüstriyel ortamlarda kullanım için son derece uygundur.
Ürün Hakkında :
• Model BK2, geliştirilmiş korumalı, lama tipi yük hücresi olup, endüstriyel ortamlarda kullanım için son derece uygundur.
• Patlayıcı ortamlar için ATEX onaylı versiyonunu sipariş ediniz.
• Yer Kantarları, Palet Kantarı, Mobil Tartım, Tank & Silo Tartımı, Asılı Tartım Sistemleri, Kontrol Tartımları, Konveyör Kantarı, Endüstriyel Prosesler, Paketleme & Dolum için kullanıma uygundur.
• Materyal : Paslanmaz Çelik
• IP67 Koruma Sınıfına sahiptir
Öne Çıkan Özellikler
Bağlantı
Analog
Tip
Lama Tipi
Uygulamalar
Yer Kantarları, Palet Kantarı, Mobil Tartım, Tank & Silo Tartımı, Asılı Tartım Sistemleri, Kontrol Tartımları, Konveyör Kantarı, Endüstriyel Prosesler, Paketleme & Dolum
Sertifika
OIML, ATEX
Materyal
Paslanmaz Çelik
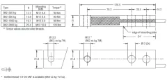
Maksimum Kapasite
200 kg, 500 kg, 1 t, 2 t
Koruma Sınıfı
IP67
Bağlantı Şekli
Metrik





