HOŞ GELDİNİZ
Hızlı ve güvenli alışverişe giriş yapın!
HENÜZ ÜYE DEĞİL MİSİNİZ?
Kolayca üye olabilirsiniz.

BR110SD Loadcell

Yorum Yap
Marka
Stok Kodu
DFWBSC44PQ
Seçenekler
Kapasite
BR110SD Ring Tipi Dijital Yük Hücresi 

Ürün Hakkında :

• Gelișmiș elektronik tasarımı ile doğru ve güvenilir ölçüm için yüksek çözünürlüklü BR110SD dijital yük hücresi, her türlü endüstriyel tartım uygulamalarında kullanıma uygun paslanmaz çelik, Ring tipi bir yük hücresidir. IP68 koruma sınıfına sahip BR110SD, yüksek kapasiteli yer kantarları, tank kantarları, gemi tartım ve benzeri endüstriyel tartım uygulamaları için son derece uygundurlar.
• Tartım sisteminde olası bir yük hücresi arızasında hatalı tartım yapılmasını engeller ve ilgili hata kodu yönlendirmesiyle hatanın kolay ve hızlı analiz edilmesini sağlar. BAYKON BR110SD dijital yük hücreleri arızalı yük hücresi değișimi sonrası kalibrasyon ayarı gerektirmeksizin çalıșmayı sağlayacak eșleștirilmiș üretim özelliklerine sahiptirler.
• Patlayıcı Ortam, Kamyon Kantarı, Tank & Silo Tartımı, Yüksek Kapasiteli Uygulamalar, Özel Tartımlar, Endüstriyel Prosesler, Test Makineleri için kullanıma uygundur.

Öne Çıkan Özellikler

Bağlantı

Dijital

Tip

Ring Tipi

Yüksek Sıcaklık

Evet

Uygulamalar

Patlayıcı Ortam, Kamyon Kantarı, Tank & Silo Tartımı, Yüksek Kapasiteli Uygulamalar, Özel Tartımlar, Endüstriyel Prosesler, Test Makineleri

Materyal

Paslanmaz Çelik

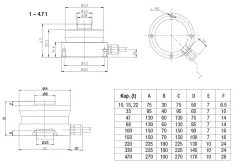
Maksimum Kapasite

1 t, 2.2 t, 3.3 t, 4.7 t, 10 t, 15 t, 22 t, 33 t, 47 t, > 50 t

Koruma Sınıfı

IP68

certificates
certificates
certificates
Bu ürünün fiyat bilgisi, resim, ürün açıklamalarında ve diğer konularda yetersiz gördüğünüz noktaları öneri formunu kullanarak tarafımıza iletebilirsiniz.
Görüş ve önerileriniz için teşekkür ederiz.
BR110SD Loadcell DFWBSC44PQ
BR110SD Loadcell

Tavsiye Et

*
*
*
IdeaSoft® | E-Ticaret paketleri ile hazırlanmıştır.